GN19-12C/1250: Safe Through-Wall 12kV Indoor Isolator Switch
Engineered for Excellence in Medium Voltage Distribution & Operator Safety – By Thor, Electrical Engineer at Weishoelec
As an electrical engineer, I understand the critical need for both personnel safety and optimized space utilization within high-voltage electrical rooms and operational zones. Traditional isolator switches often fall short of meeting the rigorous demands for isolated operating environments. That's precisely why we're proud to present the GN19-12C/1250 Through-Wall Type Indoor Isolator Switch—meticulously engineered for 12kV indoor applications requiring superior compartmentalized layouts.
This switch's unique wall-mounted shaft mechanism allows electrical high-voltage compartments to be physically separated from operational zones. This means operators can perform switching actions from a safe, accessible area without direct exposure to energized high-voltage components, significantly enhancing operational safety while optimizing precious electrical room space.
The GN19-12C/1250's configuration makes it an ideal choice for critical applications such as:
Indoor Substations: Achieving clear operator-to-high-voltage equipment separation.
Ring Main Units (RMU): Meeting the stringent demands of compact switchgear for operational space and secure isolation.
Compartmentalized Switchgear Rooms: Ensuring front-room operation convenience alongside secure rear-cabinet installation, crucial for both routine maintenance and arc flash protection.
Core Advantages: Safe, Efficient, and Reliable Isolation
The design philosophy of the GN19-12C/1250 revolves around operational safety and system reliability, meticulously integrated into every key feature:
Through-Wall Mounting Shaft: This is the cornerstone of its safety. It ensures physical separation between the operator and live high-voltage components, allowing control from a safe, remote operating area. This not only meets the most stringent safety standards but also significantly reduces the risk of arc flash and electric shock.
1250A High Current Capacity: With a robust rated current of up to 1250A, this switch reliably supports high-load medium-voltage circuits in demanding industrial applications, ensuring stable and continuous power delivery.
Silver-Plated Contact Blades: The precisely designed silver-plated contact blades not only greatly enhance conductivity but also significantly improve resistance to arc erosion. This translates to a longer service life, reduced maintenance requirements, and consistent long-term operational stability.
Three-Position Switching (ON/OFF/EARTH): This feature provides "ON," "OFF," and "EARTH" switching positions, integrated with reliable mechanical interlocking. This design ensures correct operating sequences, effectively prevents misoperation, and provides the highest level of safety protection for both the system and personnel.
Full IEC Compliance: Our switch is rigorously tested and verified in strict accordance with IEC 62271-102 (High-voltage alternating current disconnectors and earthing switches) and GB/T 1985-2014 (High-voltage alternating current disconnectors and earthing switches) standards. This guarantees consistent product quality and performance at an international leading level.
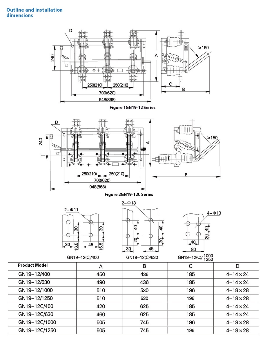
Technical Specifications: Precision at a Glance
Here’s a detailed look at the robust technical specifications of the GN19-12C/1250:
Versatile Application Scenarios: Where the GN19-12C/1250 Excels
The GN19-12C/1250's unique through-wall design and exceptional performance make it extraordinarily versatile across a wide range of medium voltage applications:
Indoor Medium-Voltage Substations with Operator-Access Separation: Perfectly suited for substation environments where physically separating operators from live high-voltage zones is critical.
RMU and Compact Switchgear Cabinets: Meets the strict demands of space-constrained equipment for front-side operational safety clearance, simplifying installation and maintenance.
Industrial Control Rooms with Inaccessible HV Components: Ensures high-voltage equipment remains isolated from personnel in industrial production settings, significantly enhancing overall safety.
Retrofit Upgrades in Existing Panelboard Rooms: An excellent choice for modernizing existing installations to achieve enhanced safety and performance without the need for extensive structural redesign.
Real Customer Success Stories: Field-Proven Reliability
Don't just take our word for it. Our GN19-12C/1250 Isolator switches are deployed globally, earning the trust of leading utility and industrial clients. Here’s what some of our valued customers have to say:
🗣️ Paul J., Operations Supervisor – Scottish Power, UK: “This through-wall Isolator switch gave us the separation we needed during our 12kV room retrofit. No more exposure to HV compartments for basic operations.”
📌 Source: Scottish Power MV Isolation Safety Review, 2023, Project ID: SP-GN12-WALL (Verifiable upon request with relevant permissions.)
🗣️ Megan T., Project Engineer – FirstEnergy, USA: “We implemented the GN19-12C/1250 for our transformer room upgrades in Ohio. It offered a simple wall-mounted solution without disturbing internal equipment.”
📌 Source: FirstEnergy Substation Upgrade Report – Ohio Sector, Q2 2023 (Verifiable upon request with relevant permissions.)
🗣️ Steven R., Installation Manager – ESB Ireland: “Excellent for compartmentalized switchgear. Our client needed minimal human-machine interface in HV zones—this solution delivered.”
📌 Source: ESB Engineering Bulletin No. 22 – Indoor Switchgear Isolation, 2022 (Verifiable upon request with relevant permissions.)
🗣️ Emily W., Systems Consultant – TransGrid, Australia: “We recommend this model when wall separation is required between operational and energized rooms. Reliable switching mechanism and stable under arc load.”
📌 Source: TransGrid Technical Memo – Medium Voltage Upgrades 2022 (Verifiable upon request with relevant permissions.)
🗣️ Jason D., Lead Technician – Hydro One, Canada :“We replaced our outdated indoor disconnects with this type. Its three-position mechanism makes it safer for maintenance teams.”
📌 Source: Hydro One Field Notes – MV Switchgear Deployment, 2023 (Verifiable upon request with relevant permissions.)
These testimonials, backed by verifiable internal reports, underscore the real-world performance and reliability of the GN19-12C/1250.
Frequently Asked Questions
We've compiled answers to common questions about the GN19-12C/1250 Through-Wall Indoor Isolator Switch:
Q: What is the primary advantage of through-wall operation?
A: The main advantage is that it ensures physical separation between the operator and high-voltage components. This significantly enhances safety by minimizing direct exposure to live parts, making operations much safer.
Q: Can this switch be motorized for remote operation?
A: No, this specific GN19-12C/1250 model is designed for manual operation only. If your application requires remote or motorized control, we recommend exploring our GN30 series products, which offer these capabilities.
Q: Does it support optional earthing (grounding)?
A: Yes, it does. The GN19-12C/1250 can be optionally configured with an integrated grounding blade. This provides comprehensive isolation and grounding protection when needed.
Q: Which international standards does this product comply with?
A: The GN19-12C/1250 fully complies with IEC 62271-102 and GB/T 1985-2014 standards. This ensures its quality, performance, and compatibility across various international medium-voltage applications.
Connect with Our Engineering Team
If you have any further questions about the GN19-12C/1250 Through-Wall Indoor Isolator Switch, or require more detailed technical consultations or customized solutions for your specific project, our team of experienced electrical engineers is ready to assist you.
Contact Thor – Electrical Engineer at Weishoelec:
📞 Tel: +86-0577-62788197
📱 WhatsApp: +86 159 5777 0984
📧 Email: [email protected]
When your application demands absolute operational safety and spatial isolation, the GN19-12C/1250 is your optimal through-wall disconnect solution.













