GN19-12C/1250 Indoor Through-Wall Isolator Switch
Compact Through-Wall Switchgear Isolation for 12kV Indoor Applications
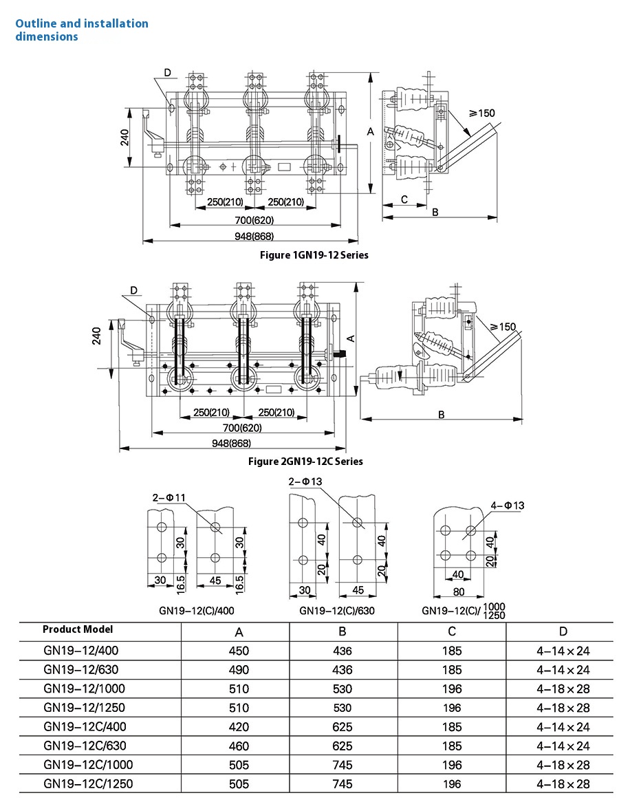
The GN19-12C/1250 indoor isolator switch is a three-position, center-break isolator designed for wall-through installations in medium voltage switchgear systems. Featuring a compact panel-mount structure, this model supports indoor electrical cabinets that require separation between operating and high-voltage compartments — typically found in 12kV substations, factory MV rooms, and retrofitted power enclosures.
Unlike the GN19-12ST or GN19-12CST series, the GN19-12C uses a symmetrical 'C-type' base frame, optimized for wall penetration with extended terminals and interlocking safety shutters.
🔧 Key Features
Through-wall mounting design for compact switchgear partitions
Rated voltage: 12kV / Rated current: 1250A
C-type split-contact structure for improved arc isolation
Dual-side operation options with mechanical interlock support
High mechanical endurance: 3000+ operating cycles
Spring-assisted manual or electric operation available
📐 Technical Parameters
| Parameter | Value |
|---|---|
| Model | GN19-12C/1250 |
| Rated Voltage | 12kV |
| Rated Current | 1250A |
| Rated Short-Time Current | 31.5kA / 4s |
| Peak Withstand Current | 80kA |
| Insulation Level | 42kV (Power Frequency) |
| Installation Type | Indoor, through-wall |
| Applicable Standards | IEC 62271-102, GB/T 1985 |
| Operation Mechanism | Manual or Motorized Optional |

🧩 Application Advantages
Wall-through configuration is ideal for dual-chamber MV panel layouts
Space-saving installation in substations with narrow control aisles
Isolated maintenance access, separating the operator and live parts
Used in transformer rooms, gas plants, and shielded control cubicles
🔍 What Makes GN19-12C Unique?
C-Type structure allows for dual-direction isolation, distinct from GN19-12ST (horizontal mount only)
No spring-return function like CST models, giving it simpler mechanical handling for retrofit panels
Split-phase terminals with rear mounting brackets designed specifically for wall bushing kits
Standardized hole distances for compatibility with older panel layouts (legacy systems in China, India, Vietnam)
💬 Real Customer Feedback
🗣️ Jason R., MV Systems Technician – GE Power Vietnam
“GN19-12C gave us the flexibility to refurbish a 1990s switchgear room without redesigning the busbar layout. The through-wall terminals aligned perfectly.”
📌 Source: GE Vietnam Switchgear Retrofitting Guide, 2023
🗣️ Thomas L., Panel Builder – T&D Solutions UK
“We used GN19-12C for a tight-wall design in a hydro facility. Its compact depth and clean termination made installation much faster.”
📌 Source: T&D MV Engineering Bulletin – Issue 47, UK 2022
🗣️ Maria S., Electrical Engineer – ESB Ireland
“The C-type switch worked well with our dual-chamber 12kV gear. It allowed us to install busbars in one room and isolate operators in another.”
📌 Source: ESB Panel Design Notes Q1 2024
🗣️ Ahmed K., Project Engineer – Adani Power India
“Good mechanical strength under 31.5kA tests. We replaced older isolators with GN19-12C in a brownfield plant in Gujarat.”
📌 Source: Adani Substation Upgrade Report, 2023
🗣️ Patrick V., Utility Consultant – Hydro Québec, Canada
“The operating shaft on GN19-12C offers better torque control than older wall-through designs. We found it easy to link with remote mechanisms.”
📌 Source: Hydro Québec Indoor Switchgear Field Report, 2024
❓ FAQs
• How does the GN19-12C differ from GN19-12CST?
GN19-12C uses a simplified C-type body for basic wall-through needs, without spring-reset or interlock mechanisms that CST models offer.
• Can I retrofit it into an older panel?
Yes, this model is widely used for retrofit projects due to its adjustable mounting frame and standard DIN hole spacing.
• Is motor operation supported?
Yes, optional electric actuators are available for remote or automatic switching applications.
• What’s the lead time for export orders?
2–3 weeks, depending on quantity. All units undergo type and routine tests.
• Is this suitable for seismic-prone areas?
Yes, upon request, we offer models with enhanced seismic bracing and reinforced contact arms.
📞 Need Engineering Support?
Thor – Electrical Engineer at Wei Shoe Elec
📞 Tel: +86-0577-62788197
📱 WhatsApp: +86 159 5777 0984
📧 Email: [email protected]
For retrofit MV switchgear projects, GN19-12C offers reliable wall-through isolation with minimal space and effort.











