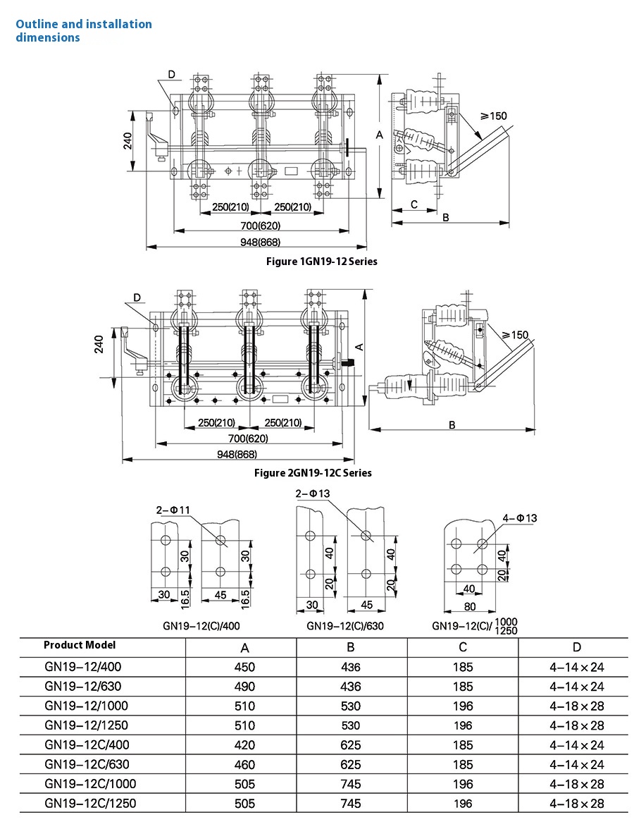
GN19-12M/630 indoor High Voltage Isolator Switch (with Panel)
The GN19-12M/630 indoor isolator switch is a medium-voltage isolator designed for 12kV switchgear systems, offering safe and visible isolation for equipment maintenance. Rated at 630A, this switch is ideal for indoor applications in compact cabinets (e.g., XGN, KYN28, HXGN).
This model supports manual operation and features a rotary contact structure with reliable opening and breaking performance. It can be combined with grounding switches for added safety.
🔧 Key Features
Rated voltage: 12kV
Rated current: 630A
Three-position design: ON / OFF / EARTH
The rotating contact system ensures reliable isolation
Compact footprint for cabinet integration
Optional grounding module (GN19-12M/T series)
📐 Technical Specifications
| Parameter | Value |
|---|---|
| Rated Voltage | 12kV |
| Rated Current | 630A |
| Power Frequency Withstand | 42kV (1 min) |
| Lightning Impulse Withstand | 75kV (BIL) |
| Rated Short-Time Current | 20kA / 3s |
| Peak Withstand Current | 50kA |
| Mechanical Endurance | ≥ 2000 operations |
| Installation | Horizontal/vertical |
| Operating Mechanism | Manual |
| Compliance Standards | GB1985, IEC 62271-102 |
✅ Standards & Certifications
GB1985 – High-voltage AC disconnectors and earthing switches
IEC 62271-102 – High-voltage switchgear and controlgear
ISO 9001, ISO 14001, ISO 45001 certified
CE-compliant, complete type test documentation available
🔌 Application Scenarios
12kV indoor switchgear cabinets (KYN28, XGN15, HXGN)
Transformer incoming/outgoing switch
Load isolation in ring main units (RMUs)
Medium-voltage panel rooms in substations or factories
Isolator switch with earthing for transformer protection
🌍 Case Example: Compact Substation in Kenya (2021)
In a 2021 industrial power upgrade near Nairobi, Kenya, GN19-12M/630 isolator switches were installed inside XGN15 switchgear panels to isolate 12kV feeders during transformer maintenance.
Result:
Reliable visible isolation
Compact fit within 500mm-wide cabinets
Combined with GN19-12M/T grounding unit for worker safety
❓ Frequently Asked Questions (FAQ)
1. Can this switch be used in both horizontal and vertical configurations?
Yes. It supports both installations depending on the cabinet layout.
2. What’s the difference between GN19-12M and GN19-12C?
GN19-12M is a modernized type with a better contact system and optional grounding integration.
3. Can it work with vacuum circuit breakers?
Yes. It’s often used in conjunction with 12kV VCBs for incoming/outgoing line isolation.
4. Is the switch lockable for maintenance?
Yes. The manual mechanism supports the padlock for safety.
5. What is the delivery lead time?
Usually 10–15 working days based on quantity and configuration.
📞 Contact Our Technical Team
Need technical drawings or configuration support?
Thor, Medium Voltage Engineer
Wei Shoe Elec Co., Ltd
📞 Tel: +86-0577-62788197
📱 WhatsApp: +86 159 5777 0984
📧 Email: [email protected]













