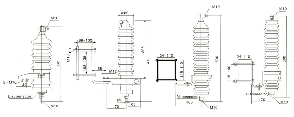
Y5W / Y10W / Y5C / Y10C Porcelain Bushing Arrester
The Y5W, Y10W, Y5C, and Y10C porcelain bushing arresters are built to meet the demanding conditions of modern power systems. Each unit features a high-strength porcelain body that stands up to extreme temperatures, mechanical stress, and environmental exposure over long periods.
Designed for seamless integration with transformers, breakers, and other equipment, these bushing-type arresters offer reliable surge protection while maintaining a compact and maintenance-free structure. The Y5C and Y10C variants include extended creepage distances, making them ideal for installations in areas with high pollution or coastal climates.
With a balance of rugged construction and electrical reliability, this series is a trusted solution for utilities and industrial applications alike.

Nominal Discharge Current 5kA Porcelain Housed Metal-oxide Lightning Arrester with series gap (Export)
| Type | Rated voltage | Maximum continuous operation voltage | Sparkover voltage(KV) | 8/20μs Lightning Current impulse | 2000μs Square wave current impulse withstand | 4/10μs High current impulse | |
Power Frequency ≥ | 1.2/50μs Lighting impulse≤ | ||||||
| KV(r.m.s) | KV(r.m.s) | KV(r.m.s) | kV(crest) | kV(crest) | A (crest) | kA(crest) | |
| Y5C-3 | 3 | 2.55 | 5.0 | 7.8 | 9 | 100 | 65 |
| Y5C-6 | 6 | 5.1 | 10.0 | 15.5 | 18 | 100 | 65 |
| Y5C-9 | 9 | 7.65 | 16.5 | 24.5 | 27 | 100 | 65 |
| Y5C-10 | 10 | 8.4 | 18.0 | 27.2 | 30 | 100 | 65 |
| Y5C-12 | 12 | 10.2 | 21.0 | 32.6 | 36 | 100 | 65 |
| Y5C-15 | 15 | 12.7 | 25.0 | 38.8 | 45 | 100 | 65 |
| Y5C-18 | 18 | 15.3 | 31.0 | 48.1 | 54 | 100 | 65 |
| Y5C-21 | 21 | 17.0 | 34.0 | 52.7 | 63 | 100 | 65 |
| Y5C-24 | 24 | 19.5 | 39.0 | 60.5 | 72 | 100 | 65 |
| Y5C-27 | 27 | 22.0 | 45.0 | 69.8 | 81 | 100 | 65 |
| Y5C-30 | 30 | 24.4 | 50.0 | 77.5 | 90 | 100 | 65 |
| Y5C-33 | 33 | 26.7 | 55.0 | 85.3 | 99 | 100 | 65 |
| Y5C-36 | 36 | 29.0 | 60.0 | 93.0 | 108 | 100 | 65 |
| Y5C-42 | 42 | 34.0 | 70.0 | 108.5 | 126 | 100 | 65 |
Nominal Discharge Current 10kAPorcelain Housed Metal-oxide Lightning Arrester with series gap (Export)
| Type | Rated voltage | Maximum continuous operation voltage | Sparkover voltage(KV) | 8/20μs Lightning Current impulse | Line discharge class | 4/10μs High current impulse | |
Power Frequency ≥ | 1.2/50μs Lighting impulse≤ | ||||||
| KV(r.m.s) | KV(r.m.s) | KV(r.m.s) | kV(crest) | kV(crest) | kA(crest) | ||
| Y10C-3 | 3 | 2.55 | 5.0 | 7.8 | 9 | 1 | 100 |
| Y10C-6 | 6 | 5.1 | 10.0 | 15.5 | 18 | 1 | 100 |
| Y10C-9 | 9 | 7.65 | 16.5 | 24.5 | 27 | 1 | 100 |
| Y10C-10 | 10 | 8.40 | 18.0 | 27.2 | 30 | 1 | 100 |
| Y10C-12 | 12 | 10.2 | 21.0 | 32.6 | 36 | 1 | 100 |
| Y10C-15 | 15 | 12.7 | 25.0 | 38.8 | 45 | 1 | 100 |
| Y10C-18 | 18 | 15.3 | 31.0 | 48.1 | 54 | 1 | 100 |
| Y10C-21 | 21 | 17.0 | 34.0 | 52.7 | 63 | 1 | 100 |
| Y10C-24 | 24 | 19.5 | 39.0 | 60.5 | 72 | 1 | 100 |
| Y10C-27 | 27 | 22.0 | 45.0 | 69.8 | 81 | 1 | 100 |
| Y10C-30 | 30 | 24.4 | 50.0 | 77.5 | 90 | 1 | 100 |
| Y10C-33 | 33 | 26.7 | 55.0 | 85.3 | 99 | 1 | 100 |
| Y10C-36 | 36 | 29.0 | 60.0 | 93.0 | 108 | 1 | 100 |
| Y10C-42 | 42 | 34.0 | 70.0 | 108.5 | 126 | 1 | 100 |
Note:
Models beginning with "Y" refer to metal oxide lightning arresters with a porcelain housing. If the arrester uses a polymer (composite) housing, the model code begins with "YH" instead.
Technical Specifications of Metal Oxide Lightning Arrester
Service condition | Type | MOA Rated Voltage | System Nominal Voltage (kV) | Continous Operation Voltage (kV) | DC Min U1mA reference voltage (kV) ≥ | Residual voltage (kV)≤ | 2000μs Square wave current impulse withstand (A) | 4/10μs High Current impulse (kA) | ||
1/4μs Steep Current impulse | 8/20μs Lightning Current impulse | 30/60μs Switching current impulse | ||||||||
Low voltage Distribution
5KA Substation (Z) | YH1.5W-0.28/1.3 | 0.28 | 0.22 | 0.24 | 0.6 | / | 1.3 | / | 75
| 25 |
| YH1.5W-0.5/2.6 | 0.5 | 0.38 | 0.42 | 1.2 | / | 2.6 | / | |||
| YH5WS-3.8/17 | 3.8 | 3 | 3.2 | 7.5 | 19.6 | 17.0 | 14.5 | 100 | 65 | |
| YH5WS-5/17 | 5 | 3 | 4.0 | 7.5 | 19.6 | 17.0 | 14.5 | |||
| XH5WS-7.6/30 | 7.6 | 6 | 4.0 | 15 | 34.5 | 30.0 | 25.5 | |||
| YH5WS-10/30 | 10 | 6 | 8.0 | 15 | 34.6 | 30.0 | 25.5 | |||
| YH5WS-17/50 | 17 | 10 | 13.6 | 25 | 57.5 | 50.0 | 42.5 | |||
| YH5WZ-3.8/13.5 | 3.8 | 3 | 3.2 | 7.2 | 14.5 | 13.5 | 11.5 | 200 | 65 | |
| YH5WZ-7.6/27 | 7.6 | 6 | 4.0 | 14.4 | 31 | 27 | 23 | |||
| YH5WZ-10/27 | 10 | 6 | 8.0 | 14.4 | 31 | 27 | 23 | |||
| YH5WZ-17/45 | 17 | 10 | 13.6 | 24 | 51.8 | 45 | 38.3 | |||
| YH5WZ-42/134 | 42 | 35
| 23.4 | 73 | 154 | 134 | 114 | 400
| 100 | |
| YH5WZ-51/134 | 51 | 40.8 | 73 | 154 | 134 | 114 | ||||
| YH5WZ-52.7/134 | 52.7 | 42.2 | 73 | 154 | 134 | 114 | ||||
| YH5WZ-54/134 | 54 | 43.2 | 73 | 154 | 134 | 114 | ||||
| YH5WZ-84/221 | 84 | 66
| 67.2 | 121 | 254 | 221 | 188 | 600
| 100 | |
| YH5WZ-90/224 | 90 | 72.5 | 130 | 258 | 224 | 190 | ||||
| YH5WZ-94/224 | 94 | 75.5 | 134 | 270 | 234 | 198 | ||||
| YH5WZ-96/250 | 96 | 110
| 75 | 140 | 287 | 250 | 212 | 600
| 100 | |
| YH5WZ-100/266 | 100 | 78 | 145 | 299 | 260 | 221 | ||||
| YH5WZ-102/266 | 102 | 80 | 148 | 305 | 266 | 226 | ||||
| YH5WZ-108/281 | 108 | 84 | 157 | 323 | 281 | 239 | ||||
| YH5WZ-116/302 | 116 | 88.2 | 168 | 347 | 302 | 256 | ||||
10KA Substation (Z) | YH10WZ-51/134 | 51 | 35
| 40.8 | 73 | 154 | 134 | 114 | 400 | 100 |
| YH10WZ-52.7/134 | 52.7 | 42.2 | 73 | 154 | 134 | 114 | ||||
| YH10WZ-72/184 | 72 | 66 | 57 | 105 | 211 | 184 | 165 | 600
| 100 | |
| YH10WZ-75/223 | 75 | 60 | 127 | 256 | 223 | 190 | ||||
| YH10WZ-75/230 | 75 | 60 | 127 | 265 | 230 | 196 | ||||
| YH10WZ-75/250 | 75 | 60 | 127 | 288 | 250 | 213 | ||||
| YH10WZ-84/215 | 84 | 67.2 | 122 | 245 | 215 | 181 | ||||
| YH10WZ-90/235 | 90 | 72.5 | 130 | 264 | 235 | 201 | ||||
| YH10WZ-96/250 | 96 | 110 | 75 | 140 | 280 | 250 | 212 | 600
| 100 | |
| YH10WZ-100/266 | 100 | 78 | 145 | 291 | 260 | 221 | ||||
| YH10WZ-102/266 | 102 | 79.6 | 148 | 297 | 266 | 226 | ||||
| YH10WZ-108/281 | 108 | 84 | 157 | 315 | 281 | 239 | ||||
| YH10WZ-116/302 | 116 | 88 | 168 | 338 | 302 | 257 | ||||
| YH10WZ-120/300 | 120 | 96 | 174 | 335 | 300 | 270 | ||||
| YH10WZ-126/328 | 126 | 100.8 | 183 | 367 | 328 | 279 | ||||
| YH10WZ-150/400 | 150 | 115 | 230 | 444 | 400 | 352 | ||||
Service condition | Type | MOA Rated Voltage (kV) | System Nominal Voltage (kV) | Continous Operation Voltage (kV) | DC Min U1mA reference voltage (kV) ≥ | Residual voltage (kV)≤ | 2000μs Square wave current impulse withstand(A) | 4/10μs High Current impulse (kA) | ||
1/4μs Steep Current impulse | 8/20μs Lightning Current impulse | 30/60μs Switching current impulse | ||||||||
10KA Substation (Z) | YH10WZ-192/500 | 192 | 220 | 150 | 280 | 560 | 500 | 426 | 600,800, 1000 | 100 |
| YH10WZ-200/520 | 200 | 156 | 290 | 582 | 520 | 442 | ||||
| YH10WZ-204/532 | 204 | 159 | 296 | 594 | 532 | 452 | ||||
| YH10WZ-216/562 | 216 | 168.5 | 314 | 630 | 562 | 478 | ||||
20KA Substation | YH20WZ-200/566 | 200 | 220 | 152 | 304 | 634 | 566 | 464 | 1200 | 100 |
Neutral point of transformer | YH1.5W-30/80 | 30 | 35 | 34 | 44 | / | 80 | 76 | 400
| 65 |
| YH1.5W-55/132 | 55 | 110
| 43 | 79 | / | 132 | 126 | |||
| YH1.5W-60/144 | 60 | 48 | 85 | / | 144 | 135 | ||||
| YH1.5W-72/186 | 72 | 58 | 103 | / | 186 | 174 | ||||
| YH1.5W-73/200 | 73 | 58 | 105 | / | 200 | 174 | 600
| 100 | ||
| YH1.5W-144/320 | 144 | 220 | 116 | 205 | / | 320 | 299 | |||
| YH1.5W-207/440 | 207 | 330 | 166 | 292 | / | 440 | 410 | |||
Capacitor (R) | YH5WR-3.8/13.5 | 3.8 | 3 | 2.0 | 7.2 | / | 13.5 | 10.5 | 400
| 65 |
| YH5WR-5/13.5 | 5 | 3.8 | 7.2 | / | 13.5 | 10.5 | ||||
| YH5WR-10/27 | 10 | 6 | 8.0 | 14.4 | / | 27 | 20.8 | |||
| YH5WR-17/45 | 17 | 10 | 13.6 | 24 | / | 45 | 38.3 | |||
| YH5WR-51/134 | 51 | 35 | 40.8 | 73 | / | 134 | 105 | |||
| YH5WR-84/221 | 84 | 66 | 67.2 | 121 | / | 221 | 176 | 600
| 100 | |
| YH5WR-90/235 | 90 | 72.5 | 130 | / | 235 | 190 | ||||
Motor (D) | YH2.5WD-4/9.5 | 4 | 3.15 | 3.2 | 5.7 | 10.7 | 9.5 | 7.6 | 400
| 65 |
| YH2.5WD-8/18.7 | 8 | 6.3 | 6.3 | 11.2 | 21.0 | 18.7 | 15 | |||
| YH2.5WD-12.7/31 | 12.7 | 9.8 | 9.8 | 18.6 | 34.7 | 31 | 25 | |||
| YH2.5WD-13.5/31 | 13.5 | 10.5 | 10.5 | 18.6 | 34.7 | 31 | 25.0 | |||
Neutral point of motor (D) | YH1.5WD-2.4/6 | 2.4 | 3.2 | 1.9 | 3.4 | / | 6 | 5 | 200 300 400 | 65,100 |
| YH1.5WD-4.8/12 | 4.8 | 6.3 | 3.8 | 6.8 | / | 12 | 10 | |||
| YH1.5WD-8/19 | 8 | 10.5 | 6.4 | 11.4 | / | 19 | 15.9 | |||
| YH1.5WD-12/26 | 12 | 15.75 | 9.6 | 17 | / | 26 | 21.6 | |||
| YH1.5WD-13.7/29.2 | 13.7 | 18 | 11 | 19.5 | / | 29.2 | 24.3 | |||
Generator (D) | YH5WD-4/9.5 | 4 | 3.15 | 3.2 | 5.7 | 10.7 | 9.5 | 7.6 | 400
| 65 |
| YH5WD-8/18.7 | 8 | 6.3 | 6.3 | 11.2 | 21.0 | 18.7 | 15.0 | |||
| YH5WD-13.5/31 | 13.5 | 10.5 | 10.5 | 18.6 | 34.7 | 31 | 25.0 | |||
| YH5WD-17.5/40 | 17.5 | 13.8 | 13.8 | 24.4 | 44.8 | 40 | 32.0 | |||
| YH5WD-20/45 | 20 | 15.8 | 15.8 | 28.0 | 50.4 | 45 | 35.0 | |||
| YH5WD-23/51 | 23 | 18 | 18 | 31.9 | 57.2 | 51 | 40.8 | |||
| YH5WD-25/56.2 | 25 | 20 | 20 | 35.4 | 62.9 | 56.2 | 45.0 | |||
Railway Traction | YH5WT-17/45 | 17 | 10 | 13.6 | 24.0 | 51.8 | 45 | 38.3 | 200 | 65 |
| YH5WT-42/105 | 42 | 27.5 | 34 | 60 | 118 | 105 | 89 | 400
| 65 | |
| YH5WT-42/120 | 42 | 34 | 65 | 138 | 120 | 98 | ||||
| YH10WT-42/120 | 42 | 34 | 65 | 138 | 120 | 98 | ||||
| YH5WT-84/240 | 84 | 55 | 68 | 130 | 276 | 240 | 196 | |||
| YH10WT-100/260 | 100 | 110 | 73 | 145 | 291 | 260 | 221 | 600
| 100 | |
| YH10WT-200/520 | 200 | 220 | 146 | 290 | 582 | 520 | 442 | |||
To help users select the right product and avoid confusion during installation or operation, we’ve compiled a comparison of both old and new model numbers along with their corresponding technical specifications. As zinc oxide arresters are currently transitioning from the previous national standard to the updated version, this reference aims to provide clarity and ensure a smooth product selection process.
Application place | Rated voltage of system | New edition standard GB11032-2010 | Old edition standard GB11032-1989 | 2ms Square-wave current | ||
| Type | Continuous operating voltage(kV) | Type | Continuous operating voltage(kV) | |||
| power distribution | 3 | YH5WS-5/15 | 4.0 | HY5WS-3.8/15 | 2.0 | 75 |
| 6 | YH5WS-10/30 | 8.0 | HY5WS-7.6/30 | 4.0 | 75 | |
| 10 | YH5WS-17/50 | 13.6 | HY5WS-12.7/50 | 6.6 | 75 | |
| power station | 3 | YH5WZ-5/13.5 | 4.0 | HY5WZ-3.8/13.5 | 2.0 | 150 |
| 6 | YH5WZ-10/27 | 8.0 | HY5WZ-7.6/27 | 4.0 | 150 | |
| 10 | YH5WZ-17/45 | 13.6 | HY5WZ-12.7/45 | 6.6 | 150 | |
| 35 | YH5WZ-51/134 | 40.8 | HY5WZ-42/134 | 23.4 | 150 | |
| 110 | YH10W-96/235 | 75 | HY10W-96/238 | 73 | 600 | |
| YH10W-100/260 | 78 | HY10W-100/260 | 73 | 600 | ||
| YH10W-102/266 | 79.6 | HY10W-102/255 | 73 | 600 | ||
| YH10W-108/281 | 84 | HY10W-108/268 | 73 | 600 | ||
| 220 | YH10W-192/500 | 150 | HY10W-192/476 | 146 | 600 | |
| YH10W-200/520 | 156 | HY10W-200/520 | 146 | 600 | ||
| YH10W-204/532 | 159 | HY10W-204/532 | 146 | 600 | ||
| YH10W-216/562 | 168.5 | HY10W-216/562 | 146 | 600 | ||
| capacitors | 3 | YH5WR-5/13.5 | 4.0 | HY5WR-3.8/13.5 | 2.0 | 400 |
| 6 | YH5WR-10/27 | 8.0 | HY5WR-7.6/27 | 4.0 | 400 | |
| 10 | YH5WR-17/45 | 13.6 | HY5WR-12.7/45 | 6.6 | 400 | |
| 35 | YH5WR-51/134 | 40.8 | HY5WR-42/134 | 23.4 | 400 | |
| 35 | YH10WR-51/134 | 40.8 | HY10WR-42/134 | 23.4 | 400 | |
| motor | 3.15 | YH2.5WD-4/9.5 | 3.25 | HY2.5WD-3.8/9.5 | 2.0 | 200 |
| 6.3 | YH2.5WD-8/18.7 | 6.3 | HY2.5WD-7.6/19 | 4.0 | 200 | |
| 10.5 | YH2.5WD-13.5/31 | 10.5 | HY2.5WD-12.7/31 | 6.6 | 200 | |
| generator | 3.15 | YH2.5WD-4/9.5 | 3.25 | HY5WD-3.8/9.5 | 2.0 | 400 |
| 6.3 | YH5WD-8/18.7 | 6.3 | HY5WD-7.6/19 | 4.0 | 400 | |
| 10.5 | YH5WD-13.5/31 | 10.5 | HY5WD-12.7/31 | 6.6 | 400 | |
| 13.8 | YH5WD-17.5/40 | 13.8 | HY5WD-16.7/40 | 9.8 | 400 | |
| 15.75 | YH5WD-20/45 | 15.8 | HY5WD-19/45 | 15.0 | 400 | |
| Neutral point of motor | 3.15 | YH1.5WD-2.4/6 | 1.9 | HY1WD-2.3/6 | 200 | |
| 6.3 | YH1.5WD-4.8/12 | 3.8 | HY1WD-4.6/12 | 200 | ||
| 10.5 | YH1.5WD-8/19 | 6.4 | HY1WD-7.6/19 | 200 | ||
Note:
The main updates in the new standard involve changes to the rated voltage and continuous operating voltage of lightning arresters. Currently, both new “HY” and old “YH” model codes are in common use — where “Y” stands for zinc oxide arrester and “H” indicates a composite housing.
If you're unsure about which model to choose, please don’t hesitate to contact us for assistance.












