FZN61-12 Indoor High Voltage Vacuum Load Break Switch
The FZN61-12 Indoor Load Break Switch is a high-performance switching device specifically designed for 12kV medium voltage power systems. Engineered for safe load interruption and reliable system isolation, it offers excellent arc-extinguishing performance, compact design, and long service life. This model is widely used in switchgear cabinets, ring main units (RMU), industrial facilities, data centers, and urban substations.
Meaning of the Model

Key Features
Rated Voltage: 12kV
Rated Current: 630A (optional 1250A)
Short-Circuit Breaking Capacity: 20kA
Mechanical Endurance: Over 5000 operations
Insulation Type: Vacuum or SF6
Operation Type: Manual or motorized

Technical Specifications
| Parameter | Value |
|---|---|
| Rated Voltage | 12kV |
| Power Frequency Withstand Voltage | 42kV/1min |
| Lightning Impulse Withstand Voltage | 75kV |
| Rated Current | 630A / 1250A |
| Breaking Current | 20kA |
| Making Current | 50kA |
| Mechanical Life | ≥ 5000 operations |
| Operating Mechanism | Manual / Motorized |

Applications
The FZN61-12 indoor load break switch is widely used in:
Medium Voltage Switchgear Cabinets: For safe disconnection and load switching.
Ring Main Units (RMU): Compact design allows easy integration.
Industrial Power Distribution: Reliable protection for manufacturing plants and motor control centers.
Urban Substations: Ideal for indoor installations requiring safe and compact designs.
Data Centers: Ensures stable power distribution with minimal downtime.
Renewable Energy Systems: Suitable for wind power, solar power, and battery storage distribution.
Product Advantages
✅ Safe Load Breaking: Advanced arc-extinguishing technology ensures safe interruption under load conditions.
✅ Compact Footprint: Ideal for installations where space is limited.
✅ Easy Installation & Maintenance: Simplified structure reduces maintenance time and cost.
✅ High Reliability: Fully tested under IEC 62271-103 standards.
✅ Flexible Operation: Supports both manual and remote-controlled operation.
Installation Instructions
1. Preparation
Confirm technical specifications match system requirements.
Ensure proper safety procedures (lockout/tagout) are in place.
Verify clean, dry, and ventilated indoor environment.
2. Mechanical Installation
Mount the switch inside the switchgear cabinet following specified clearances.
Secure all bolts and terminals as per the manufacturer’s guidelines.
3. Electrical Connections
Tighten conductor connections according to torque specifications.
Complete control wiring for motorized or interlock operations if applicable.
4. Commissioning & Testing
Perform insulation resistance tests.
Conduct operational tests in both manual and remote modes.
Verify interlock and protection functionality.
Compliance & Certification
Fully compliant with IEC 62271-103 standard.
Factory tested with complete type test reports.
Manufacturing is certified under ISO 9001:2015 Quality Management System.
Real-World Case Study
In 2023, a major data center in Hamburg, Germany, experienced recurring downtime due to aging disconnect switches. After replacing them with FZN61-12 indoor load break switches featuring motorized operation, system reliability significantly improved, reducing unplanned outages by 90% and enhancing safety for maintenance personnel.
(Source: Project Data from German Distribution Partner, 2023)
Ordering Information
| Model | Description | Delivery |
|---|---|---|
| FZN61-12/630-20 | Indoor Load Break Switch, 12kV, 630A | 7-10 days |
| FZN61-12/1250-20 | Indoor Load Break Switch, 12kV, 1250A | 10-15 days |
| Custom Options | OEM designs available | To be discussed |
Frequently Asked Questions (FAQ)
Q1: Can FZN61- 12 be installed directly into RMU panels?
A: Yes, it’s fully compatible with most standard RMU dimensions and switchgear cabinets.
Q2: Is a motorized operation option available?
A: Yes, motorized mechanisms are available for remote operation and automation.
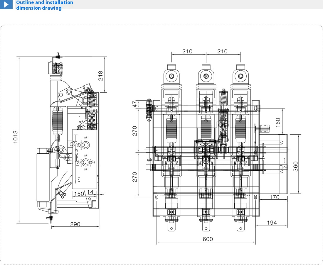
Q3: Do you provide detailed installation drawings?
A: Yes, we supply 2D dimensional drawings and wiring diagrams for accurate installation.
Q4: What kind of after-sales support do you offer?
A: We provide full technical support, spare parts availability, and a 3-year product warranty.
Q5: Can you customize the switch to meet special technical requirements?
A: Absolutely. We offer OEM & ODM services tailored to your application needs.
Contact Us for Pricing & Technical Support
📞 Phone: +86-0577-62788197
📱 WhatsApp: +86 159 5777 0984
📧 Email: [email protected]











